WeiHai DuoTeRui Automation Equipment Co., Ltd. was established on July 15, 2016. It mainly engages in the R&D, production and sales of flow meters, and is a technology-based enterprise integrating science, ind...

Capacitive Pressure and Differential Pressure Transmitter

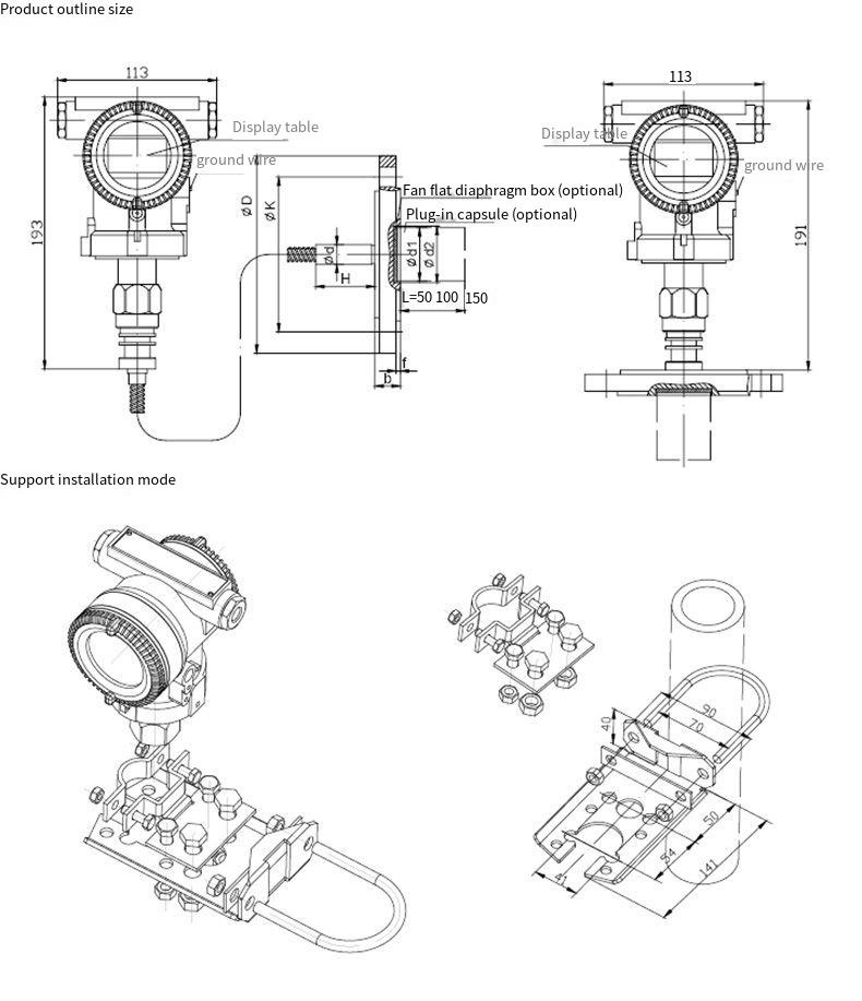
3051S LA/LG Absolute Pressure/Gauge Pressure Remote Transmitter

Capacitive Pressure and Differential Pressure Transmitter

Structurally, the 3051S LA/LG Absolute Pressure/Gauge Pressure Remote Transmitter consists of a 3051STG/TA series pressure/absolute pressure transmitter and a remote flange with capillary tubes installed by welding. The pressure acting on the remote flange side first passes through the diaphragm and filling fluid on the remote flange, then flows through the capillary tubes, and finally reaches the measuring end of the measuring sensor.

The 3051S LG/LA Gauge Pressure/Absolute Pressure Remote Transmitter is used to measure the level, density, and pressure of liquids, gases, or vapors, and then converts these measurements into a 4~20mA DC HART current signal for output. The 3051S LG/LA can also communicate with the T375 handheld terminal or M100 Modem, through which operations such as parameter setting and process monitoring can be performed.

Sales phone number (Mr. Wang): 18669340560
E-mail: 36360523@qq.com
Address: Factory Building No. 198-1, Tianjin Road, Torch High tech Industrial Development Zone, Weihai City, Shandong Province

Structurally, the 3051S LA/LG Absolute Pressure/Gauge Pressure Remote Transmitter consists of a 3051STG/TA series pressure/absolute pressure transmitter and a remote flange with capillary tubes installed by welding. The pressure acting on the remote flange side first passes through the diaphragm and filling fluid on the remote flange, then flows through the capillary tubes, and finally reaches the measuring end of the measuring sensor.

The 3051S LG/LA Gauge Pressure/Absolute Pressure Remote Transmitter is used to measure the level, density, and pressure of liquids, gases, or vapors, and then converts these measurements into a 4~20mA DC HART current signal for output. The 3051S LG/LA can also communicate with the T375 handheld terminal or M100 Modem, through which operations such as parameter setting and process monitoring can be performed.

undefined

undefined

undefined

undefined

undefined

undefined

undefined

undefined


undefined

undefined

undefined

undefined

undefined

undefined

undefined